Krähenkarussell / Taubenkarussell Bauanleitung
Die logische Fortententwicklung des Taubenmagneten ist das Taubenkarussell. Wenn sie schon nicht auf den Magneten hereinfallen, dann doch wohl auf das erheblich größere Karussell ?!
Als Antrieb entschied ich mich wieder für den "Elektromotor 6-12V DC Getriebemotor Modelbau Motor NEU" von eBay, der auch schon den Magneten antreibt.

Die Steuerung
Der Motor sollte unbedingt eine PWM-Drehzahlsteuerung bekommen, die obendrein billig und leicht nachbaubar sein muss. Da ich noch einen letzten NE555 in der Bastelkiste gefunden habe, wurde der verbaut. Alle noch folgenden Projekte werden dann rücksichtslos auf AVR entwickelt (ich bin ja soo gemein).
Die Schaltung ist recht übersichtlich, funktioniert aber trotzdem :-)
Die Trägerplatten
Ich habe zunächst drei Trägerplatten vorgesehen, deren Rohlinge unschwer erkennbar aus dem Baumarkt stammen (190*90mm²). Eventuell baue ich unten noch eine vierte als Trittstufe ein, warten wir es ab.
Die beiden oberen Platten sollen die Achse des Rotors führen, die dritte trägt den Antrieb. Verbunden wird das ganze mit M8-Gewindestangen
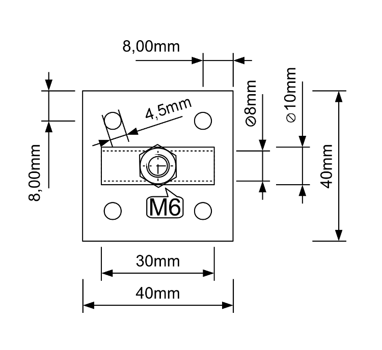
Leider gab es keine Bleche mit den benötigten Bohrungen, aber die lassen sich flugs selbst hineinbohren. Ich habe dazu die drei Bleche miteinander verschraubt und los geht es nach folgendem Plan:
Die zentralen Bohrungen sind 10mm groß in den beiden oberen Blechen für die Achse und der Motorträger benötigt mindestens 16mm (eher mehr) und zusätzlich die beiden 4,5mm Löcher für die Verschraubung.
Wenn alle Bohrungen vorgenommen wurden, sollte das Ergebnis ungefähr so aussehen:

Jetzt kann der Motor montiert werden, der Antriebsarm muss dazu vorher entfernt werden. Dies geht ganz einfach, da lediglich ein Stift ausgetrieben werden muss, was mit einem Stahlnagel und einigen Hammerschlägen einfach gelingt. Der Stift wird noch benötigt, also Vorsicht! Puzzleteile fliegen immer leicht und weit...
Auf dem letzten Bild ist der oben genannte Stift einigermaßen erkennbar.
Etwas Loctite sorgt dafür, dass die Schrauben ihren Platz nicht mehr verlassen.
Der Rotor, Teil 1
Den oberen Teil des Rotors habe ich, zugegebenermaßen, ziemlich rüde zusammengebraten. Gut, wir wollen Krähen schießen und keinen Designerpreis gewinnen, oder? Der Winkel der Arme ist relativ steil, da das ganze Gerät bodennah eingesetzt werden soll und ich gerne die Probleme mit unwuchtigen Teilen auf Stativen vermeiden möchte.
Wäre doch ziemlich ungeil, wenn die Krähen einfallen und das Karussell kippt um....
Der Rotor, Teil 2
Ein wenig Flachstahl, drei Bohrlöcher und etwas Arbeit mit der Feile :
Und schon haben wir dieses Teil, das nun darauf wartet mit seiner Achse (M10 Bolzen) verschweißt zu werden.
Eine kleine Sitzung mit dem Schweißgerät später:
Testaufbau #1
Es dreht sich tatsächlich und das Gestell kippt nicht um. Mal sehen, ob sich mit Motorantrieb etwas ändert...
Das Eindosen Teil 1 und Einbau des Motors
Wir beginnen mit dem Deckel aus Plexiglas, hier frisch lackiert im modischen erdbraun:
Das Teil wird mit Holzleisten verschraubt. Danach erfolgt die finale Montage des Rotors mit gefetteten Kugellagern. Als Staubschutz habe ich am Rotorkopf einen Ring aus Schaumgummi angeklebt.
Dazu mit der Lochsäge zwei Kreise unterschiedlichen Kalibers in Schaumstoff schneiden und dann quer in der benötigten Stärke absägen, fertig:
Probelauf mit Tauben
... und hier das Bauvideo:
Umbau der Krähen
Ich habe mir bei jvs-outdoor.de zu einem mehr als anständigen Preis zwei fliegende Lockkrähen gekauft. Ich hätte auch das vierfache (!) dafür bezahlen können, manche Internetanbieter sind da ziemlich hemmungslos...
Leider besitzen die Billigheimer keinen Halter, um sie am Karussell befestigen zu können, genau genommen handelt es sich um ganz normale Lockkrähen mit zwei zusätzlichen ausgebreiteten Schwingen, sozusagen Vierflügelkrähen :-)
Egal, Halterungen sind aus Altmetall schnell gebaut:
Der große Plan:
Die Umsetzung...
... fehlen noch die Knebelschrauben:






